您在寻找什么?

HSDLS180-电动卸荷阀 手控 4路 分块式方向阀

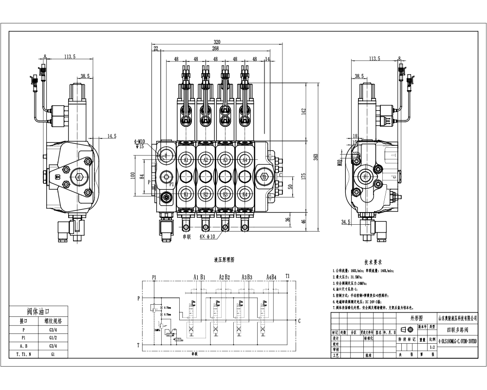
控制方式:手控

路数:4路

品牌:BXHS

所属类别:分块式方向阀

产品系列:SDS180系列 分块式方向阀

产品尺寸:32.0*36.3*11.35

产品重量:32.00 kg

库存: 有货

  • 1路
  • 3路
  • 4路
  • 5路
  • 6路
  • 7路
  • 手控
  • 液控
1015 次查看了此产品

HSDLS180-电动卸荷阀 手控 4路 分块式方向阀

HSDLS180-电动卸荷阀 手控 4路 分块式方向阀

HSDLS180-电动卸荷阀 手控 4路 分块式方向阀 drawing image

HSDLS180是一款坚固耐用的手动4联片式方向液压阀,带电动卸荷功能,专为物料搬运、建筑、农业和工业车辆中的高流量、高压力应用而设计。它在严苛环境下提供可靠的控制和耐用性。

接口尺寸 G3/4接口,G1接口,SAE 12接头
联数 1联,2联,3联,4联,5联,6联,7联,8联,9联,10联
环境温度范围 -40°C to +80°C (-40°F to +176°F)
工作粘度范围 12 - 400 mm²/s (12 cSt to 400 cSt)
出油口 G1接口,SAE 16接头
最大压力 350 bar (5100 psi)
额定流量 160 L/min (42.2 US gpm)
结构类型 分片阀
进油口 G3/4接口,G1接口,SAE 12接头

HSDLS180-电动卸荷阀是一款手动4联片式方向阀,是高性能液压元件,适用于需要精确和强大液压系统控制的各种应用。其主要特点包括:



* **高流量:** 160 升/分钟 (42.2 美制加仑/分钟),即使在重载下也能确保高效运行。

* **高耐压:** 最大压力等级为 350 巴 (5100 磅/平方英寸),确保在严苛条件下性能可靠。

* **宽粘度范围:** 该阀可在 12 至 400 mm²/s (12 cSt 至 400 cSt) 的流体粘度范围内有效运行。

* **耐用结构:** 专为承受恶劣环境而设计,工作温度范围为 -40°C 至 +80°C (-40°F 至 +176°F)。

* **手动控制:** 通过手动操作实现简单直观的控制。

* **电动卸荷:** 有助于更快、更轻松地卸载液压系统。

* **四联设计:** 允许独立控制四种液压功能。

* **片式阀设计:** 提供模块化和易于维护的特点。



**应用:** HSDLS180 非常适合各种应用,包括:



* **物料搬运:** 叉车、伸缩臂叉车和其他物料搬运设备。

* **工程机械和土方作业:** 滑移装载机、小型轮式装载机、轮式装载机、挖掘装载机。

* **农业:** 拖拉机、收割机、打捆机和其他农业机械。

* **工业车辆:** 各种需要精确液压控制的工业机械。



我们为这款阀门提供制造、OEM、自有品牌、定制和批发服务。我们正在全球范围内积极寻找分销商、批发商、代理商和贸易合作伙伴,以扩大我们的市场范围。请联系我们讨论您的具体要求并洽谈合作机会。

HSDLS180-电动卸荷阀 手控 4路 分块式方向阀

HSDLS180-电动卸荷阀 手控 4路 分块式方向阀

HSDLS180-电动卸荷阀 手控 4路 分块式方向阀

HSDLS180-电动卸荷阀 手控 4路 分块式方向阀