您在寻找什么?

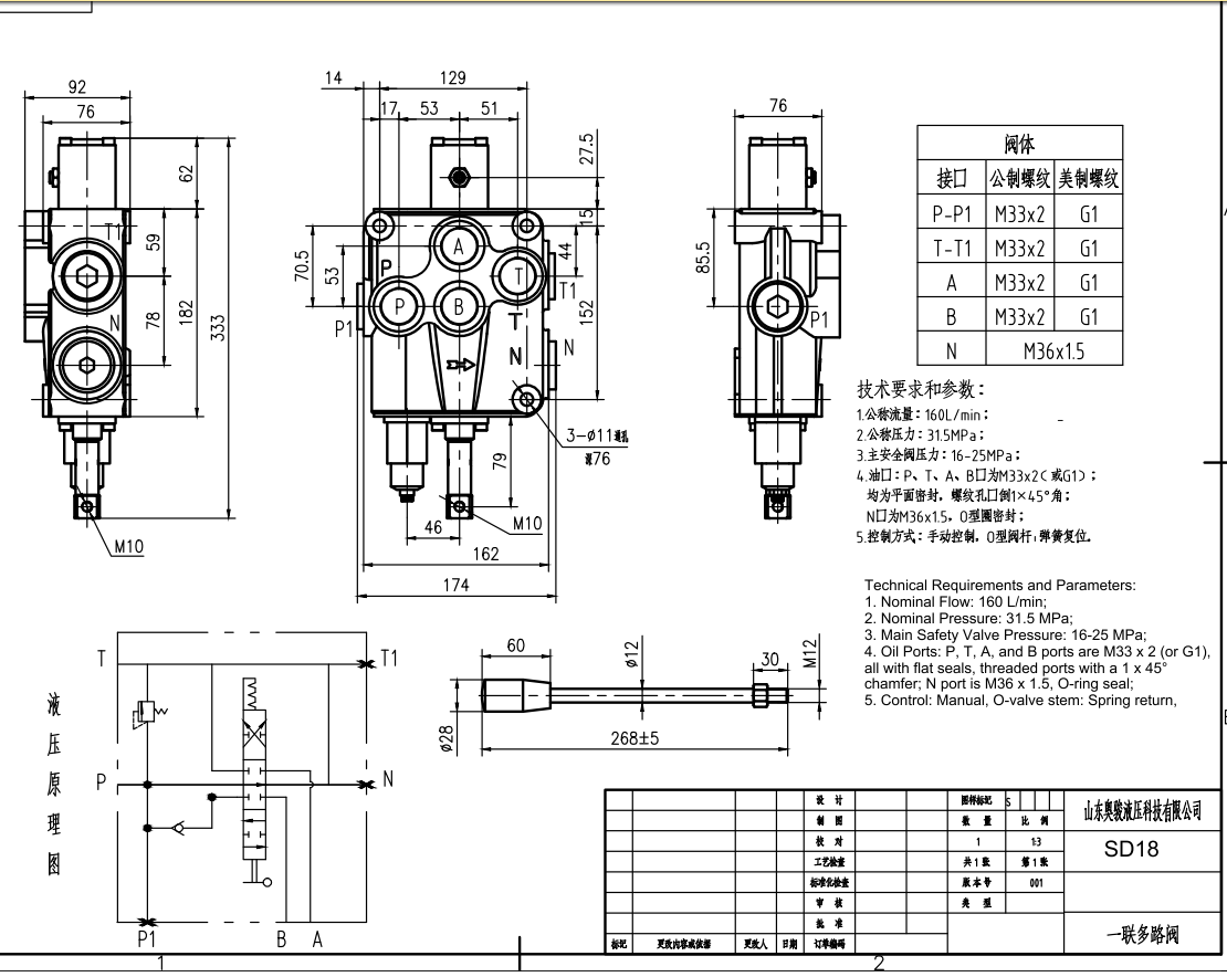
SD18 手控 1路 单块式方向阀

控制方式:手控

路数:1路

品牌:BXHS

所属类别:单块式方向阀

产品系列:SD18系列 单块式方向阀

产品尺寸:18*34*11

产品重量:13.50 kg

库存: 有货

  • 手控
  • 气控
  • 电气控
  • 电液控
  • 液控
  • 液压和手动
  • 软轴
  • 一控二手柄控制
  • 1路
  • 2路
  • 3路
  • 4路
1092 次查看了此产品

SD18 手控 1路 单块式方向阀

SD18 手控 1路 单块式方向阀

SD18 手控 1路 单块式方向阀 drawing image

SD18手动1联整体式方向控制阀是一款紧凑可靠的阀门,适用于各种液压应用。其额定流量为120升/分钟,最大压力为315巴,适用于对流量和压力要求适中的系统。

额定流量 160 L/min (42.2 US gpm)
最大压力 305 bar (4400 psi)
进油口 G1/2接口,G1接口,SAE 16接头
出油口 G1接口,SAE 16接头
接口尺寸 G1接口,SAE 16接头
联数 1联,2联,3联,4联
结构类型 整体阀
环境温度范围 -40°C to +80°C (-40°F to +176°F)
工作粘度范围 12 - 400 mm²/s (12 cSt to 400 cSt)

**产品特点和优势:**



* 紧凑轻巧的设计

* 手动控制,操作精确灵敏

* 整体式结构,经久耐用,可靠性高

* 额定流量120升/分钟,确保系统高效运行

* 最大压力315巴,适用于严苛应用

* 工作粘度范围12 - 400 mm²/s,兼容多种液压油

* 环境温度范围-40°C至+80°C,适用于恶劣环境

* 1联阀,功能多样,易于控制



**应用领域:**



SD18手动1联整体式方向控制阀适用于多种液压应用,包括:



* 物料搬运设备

* 建筑和土方机械

* 农业机械

* 工业车辆

SD18 手控 1路 单块式方向阀

SD18 手控 1路 单块式方向阀

SD18 手控 1路 单块式方向阀

SD18 手控 1路 单块式方向阀