极速交货
30天极速交货



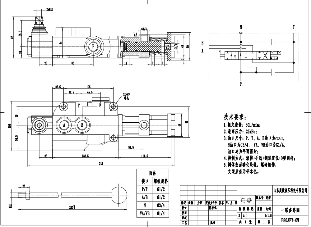
P80F-G34 液压 1 联整体式方向控制阀旨在控制各种工业和移动应用中液压流体的流动。它采用紧凑的整体式设计,1 联,额定流量为 80 升/分钟(21.2 美制加仑/分钟),最大压力为 250 巴(3600 磅/平方英寸)。该阀适用于 15 - 75 mm²/s (15 cSt 至 75 cSt) 的操作粘度范围,以及 -40°C 至 +80°C (-40°F 至 +176°F) 的环境温度。
| 接口尺寸 | G1/2接口,G3/4接口,M27×2.0螺纹,SAE 10接头,SAE 12接头,1/2 NPT螺纹,3/4 NPT螺纹 |
|---|---|
| 联数 | 1联,2联,3联,4联,5联,6联,7联 |
| 环境温度范围 | -40°C to +80°C (-40°F to +176°F) |
| 工作粘度范围 | 15 - 75 mm²/s (15 cSt to 75 cSt) |
| 出油口 | G1/2接口,G3/4接口,M27×2.0螺纹,SAE 10接头,SAE 12接头,1/2 NPT螺纹 |
| 最大压力 | 315 bar (4600 psi) |
| 额定流量 | 80 L/min (21.2 US gpm) |
| 结构类型 | 整体阀 |
| 进油口 | G1/2接口,G3/4接口,M27×2.0螺纹,SAE 10接头,SAE 12接头,1/2 NPT螺纹,3/4 NPT螺纹 |
**产品特性与优势:**
* 紧凑的整体式设计,节省安装空间
* 1 联,实现简单可靠的流量控制
* 额定流量 80 升/分钟 (21.2 美制加仑/分钟),实现高效流体处理
* 最大压力 250 巴 (3600 磅/平方英寸),适用于高要求应用
* 适用于 15 - 75 mm²/s (15 cSt 至 75 cSt) 的操作粘度范围
* 宽广的环境温度范围 -40°C 至 +80°C (-40°F 至 +176°F),适用于各种环境
**应用领域:**
P80F-G34 液压 1 联整体式方向控制阀广泛应用于各种工业和移动领域,包括:
* 物料搬运设备(叉车、伸缩臂式装载机、起重机)
* 工程和土方机械(挖掘机、轮式装载机、滑移装载机)
* 农业机械(拖拉机、收割机、打包机)
* 工业车辆(扫地机、垃圾压实机、钩式装载机)
* 以及更多...



