您在寻找什么?

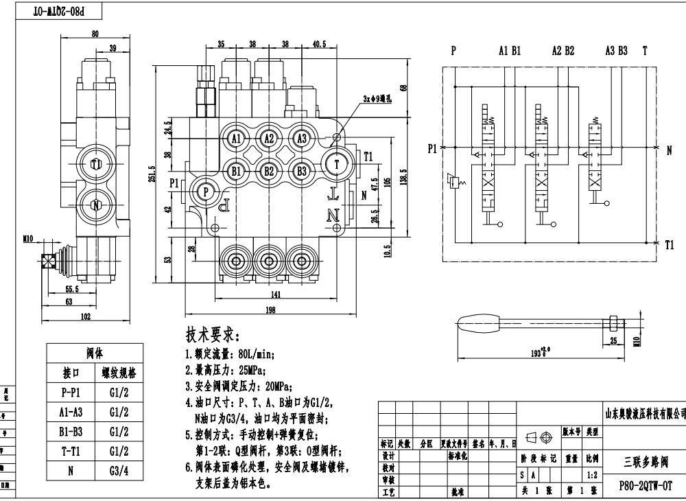
P80-G12-2QTW-OT 手控 3路 单块式方向阀

控制方式:手控

路数:3路

品牌:BXHS

所属类别:单块式方向阀

产品系列:P80系列 单块式方向阀

产品尺寸:25.1*20.8*8

产品重量:10.10 kg

库存: 有货

  • 1路
  • 2路
  • 3路
  • 4路
  • 5路
  • 6路
  • 7路
  • 手控
  • 气控
  • 电气控
  • 电液控
  • 电磁
  • 液控
  • 液压和手动
  • 软轴
  • 一控二手柄控制
888 次查看了此产品

P80-G12-2QTW-OT 手控 3路 单块式方向阀

P80-G12-2QTW-OT 手控 3路 单块式方向阀

P80-G12-2QTW-OT 手控 3路 单块式方向阀 drawing image

P80-G12-2QTW-OT 是一款手动3联整体式方向控制阀,专为液压系统设计。它提供 80 升/分钟的额定流量、250 巴的最大压力以及 15 - 75 mm²/s 的工作粘度范围。该阀门广泛应用于物料搬运、建筑、土方工程和农业等行业的各种应用中。

接口尺寸 G1/2接口,G3/4接口,M22×1.5螺纹,M27×2.0螺纹,SAE 10接头,1/2 NPT螺纹,3/4 NPT螺纹
联数 1联,2联,3联,4联,5联,6联,7联
环境温度范围 -40°C to +80°C (-40°F to +176°F)
工作粘度范围 15 - 75 mm²/s (15 cSt to 75 cSt)
最大压力 315 bar (4600 psi)
额定流量 80 L/min (21.2 US gpm)
结构类型 整体阀
进油口 G1/2接口,G3/4接口,M27×2.0螺纹,SAE 10接头,SAE 12接头,1/2 NPT螺纹,3/4 NPT螺纹

**产品特性与优势:**



* 手动控制,操作精确

* 整体式结构,经久耐用,尺寸紧凑

* 80 升/分钟的高流量,确保系统高效运行

* 250 巴的最大压力,适用于严苛工况

* 宽泛的工作粘度范围,兼容多种液压油

* 适用于 -40°C 至 +80°C 的环境温度



**应用领域:**



P80-G12-2QTW-OT 手动方向控制阀广泛应用于移动和工业机械的液压系统中,包括:



* 物料搬运设备,如叉车、伸缩臂式装载机和起重机

* 建筑和土方机械,如挖掘机、装载机和平地机

* 农业机械,如拖拉机、收割机和打包机

* 工业车辆,如扫地车、垃圾压实机和钩臂式装卸车

P80-G12-2QTW-OT 手控 3路 单块式方向阀

P80-G12-2QTW-OT 手控 3路 单块式方向阀

P80-G12-2QTW-OT 手控 3路 单块式方向阀

P80-G12-2QTW-OT 手控 3路 单块式方向阀