您在寻找什么?

P40 微动开关 手控 2路 单块式方向阀

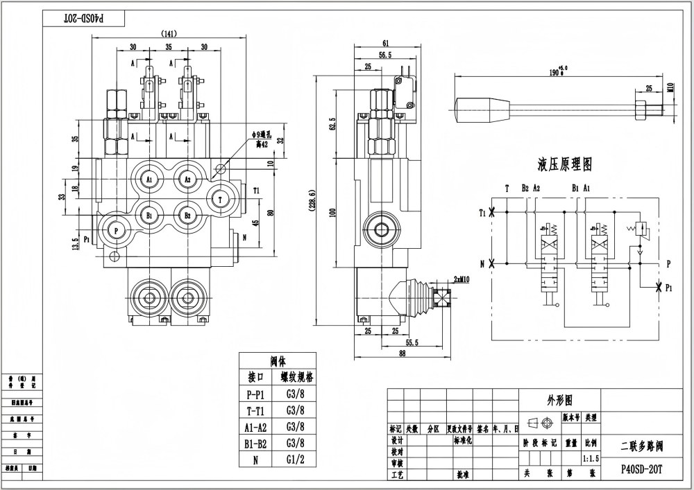
控制方式:手控

路数:2路

品牌:BXHS

所属类别:单块式方向阀

产品系列:P40系列 单块式方向阀

产品尺寸:22*17*12

产品重量:5.50 kg

库存: 有货

  • 手控
  • 气控
  • 电气控
  • 电液控
  • 电磁
  • 液控
  • 液压和手动
  • 软轴
  • 一控二手柄控制
  • 手控+一控二
  • 1路
  • 2路
  • 3路
  • 4路
  • 5路
  • 6路
  • 7路
1460 次查看了此产品

P40 微动开关 手控 2路 单块式方向阀

P40 微动开关 手控 2路 单块式方向阀

P40 微动开关 手控 2路 单块式方向阀 drawing image

P40 微动开关手动2联整体式方向控制阀是一款紧凑型高性能阀,专为物料搬运、工程机械、农业和工业车辆的各种应用而设计。凭借其手动控制、2段设计和40 升/分钟的流量,该阀在液压系统中提供可靠高效的流量控制。

额定流量 40 L/min (10.5 US gpm)
最大压力 250 bar (3600 psi)
进油口 G3/8接口,G1/2接口,M18×1.5螺纹,M22×1.5螺纹,SAE 8接头,SAE 10接头,3/8 NPT螺纹,1/2 NPT螺纹
出油口 G3/8接口,G1/2接口,M18×1.5螺纹,M22×1.5螺纹,SAE 8接头,SAE 10接头,3/8 NPT螺纹,1/2 NPT螺纹
接口尺寸 G3/8接口,G1/2接口,M18×1.5螺纹,SAE 8接头,SAE 10接头,3/8 NPT螺纹,1/2 NPT螺纹
联数 1联,2联,3联,4联,5联,6联,7联
结构类型 整体阀
环境温度范围 -40°C to +80°C (-40°F to +176°F)
工作粘度范围 15 - 75 mm²/s (15 cSt to 75 cSt)

**产品特点与优势:**



* 手动控制,操作精确灵敏

* 2段设计,实现多功能流量控制

* 紧凑尺寸,易于在空间受限的应用中安装

* 40 升/分钟的高流量,确保系统高效运行

* 250 巴的最大压力,适用于严苛应用

* 宽泛的工作粘度范围,兼容多种液压油

* CE 认证,符合欧洲安全标准



**应用领域:**



P40 微动开关手动2联整体式方向控制阀适用于广泛的应用领域,包括:



* 物料搬运设备

* 工程和土方机械

* 农业车辆

* 工业车辆

* 林业设备

P40 微动开关 手控 2路 单块式方向阀

P40 微动开关 手控 2路 单块式方向阀

P40 微动开关 手控 2路 单块式方向阀

P40 微动开关 手控 2路 单块式方向阀