极速交货
30天极速交货



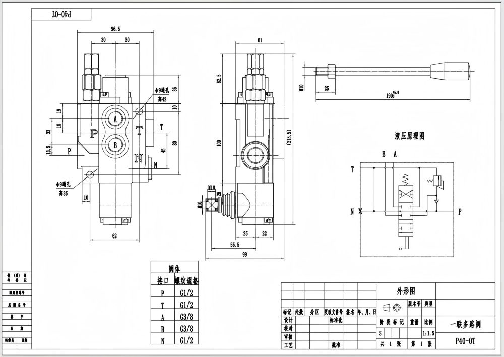
P40-G12-OT 手动1阀芯整体式方向阀是一款高性能液压阀,专为各行业苛刻应用而设计。该阀具有40升/分钟的额定流量和250巴的最大压力,可提供可靠高效的流量控制。其紧凑的整体式设计确保了耐用性和易于安装,使其成为空间受限应用的理想选择。
| 额定流量 | 40 L/min (10.5 US gpm) |
|---|---|
| 最大压力 | 250 bar (3600 psi) |
| 进油口 | G3/8接口,G1/2接口,M18×1.5螺纹,M22×1.5螺纹,SAE 8接头,SAE 10接头,3/8 NPT螺纹,1/2 NPT螺纹 |
| 出油口 | G3/8接口,G1/2接口,M18×1.5螺纹,M22×1.5螺纹,SAE 8接头,SAE 10接头,3/8 NPT螺纹,1/2 NPT螺纹 |
| 接口尺寸 | G3/8接口,G1/2接口,M18×1.5螺纹,SAE 8接头,SAE 10接头,3/8 NPT螺纹,1/2 NPT螺纹 |
| 联数 | 1联,2联,3联,4联,5联,6联,7联 |
| 结构类型 | 整体阀 |
| 环境温度范围 | -40°C to +80°C (-40°F to +176°F) |
| 工作粘度范围 | 15 - 75 mm²/s (15 cSt to 75 cSt) |
**产品特点与优势:**
* 手动控制,实现精确流量调节
* 1联设计,操作简单高效
* 整体式结构,经久耐用,尺寸紧凑
* 工作粘度范围15 - 75 mm²/秒,兼容各种液压油
* 环境温度范围-40°C至+80°C,适用于极端条件
**应用领域:**
P40-G12-OT 手动1阀芯整体式方向阀广泛应用于各种领域,包括:
* 物料搬运设备
* 建筑和土方机械
* 农业车辆
* 工业车辆
**具体应用:**
* 伸缩臂叉车
* 叉车
* 全路面起重机
* 堆垛机
* 高空作业平台
* 平地机
* 中型挖掘机
* 小型挖掘机
* 滑移装载机



